
东风12方洒水车-12吨洒水车
福田5方洒水车-福田奥铃5方洒水车价格报价-福田5方洒水车产品配置
陕汽12方洒水车-陕汽12方洒水车价格报价-陕汽12方洒水车产品配置
东风天龙大型雾炮洒水车-东风大型抑尘洒水车价格报价-湖北盈通
东风17方大型雾炮洒水车-东风大型抑尘洒水车价格-湖北盈通
东风D9大型抑尘洒水车-东风12方大型雾炮洒水车价格-湖北盈通
东风天锦大型雾炮洒水车-东风12方抑尘洒水车价格报价-湖北盈通
东风天龙20方雾炮洒水车-东风20方抑尘洒水车价格-湖北盈通
重汽20方雾炮洒水车-重汽20方抑尘洒水车价格-湖北盈通
东风20方雾炮洒水车-东风华神20方抑尘洒水车价格报价-湖北盈通
洒水车的构造和主要结构是怎样的-程力售后服务中心
洒水车在我们日常生活中经常看到,为我们城市的美化环境工作做出了重大贡献,今天小编主要为大家介绍一下洒水车的构造和主要结构。 一、取力器 与各车型变速箱相匹配的专用取力器,气动操作或手动操作,操作开关向后拉,取力齿进入齿合位置,通过传动轴带动水泵工作,开关向前回位,水泵即停止工作。 二、水泵 自吸式叶轮泵系洒水车专用泵。 三、喷水器 洒水车前有鸭嘴形喷嘴或圆头冲嘴,后面装有圆柱形洒水砣,侧喷花洒莲花头。车后部装有高射喷枪。 喷水器一般用于冲洗街道,起吸尘和降温作用,其喷水器可以用调节喷嘴螺纹的方法改变喷水器的喷洒方向和角度,高射喷枪可以用于城乡园林绿化及应急消防车的作用。蓬蓬喷嘴可以浇落路中间喷水器冲起的灰尘,起到清洁空气的作用。 四、罐体 洒水车罐体结构,罐体为椭圆柱形或方型,用钢板制成,整车罐体水仓为2-3室,中间隔板下端有通孔,仓内隔板具有防波作用。以减低汽车行驶时罐内液体的冲击。水出口处装有防旋板,以防洒水时产生漩涡影响水压。外表涂防锈漆及装饰漆。 五、罐口 罐口组件:大盖由螺栓紧固在罐门颈板上,由一个支销和一个护板小盖连接在一起,顺时针转小盖之上手柄可使小盖压紧。反转,脱开耳板后,小盖则可打开,大盖上开有一个30的孔,以便在加水过程中,使罐内的压力与大气压力基本一致。 以上就是关于洒水车构造和主要结构的介绍,希望阅读后对您有帮助,如果您还有其它问题想要咨询可以联系我们。推荐阅读:当我们购买洒水车的时候需要注意哪些方面?











洒水车的构造和主要结构是怎样的-程力售后服务中心
洒水车品牌-洒水车规格型号…
扫路车,洗扫车,吸尘车厂家价…
垃圾车,压缩式垃圾车厂家价…
吸污车,清洗吸污车,吸粪车厂…
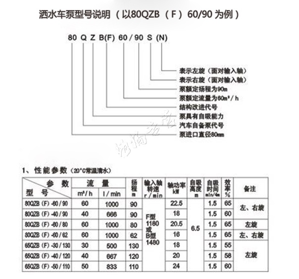
洒水车水泵,洒水车水泵配件…
抑尘车,铁路抑尘车,雾炮车厂…
洒水车价格-洒水车报价-各种…
喷洒车,绿化喷洒车,洒水车,…
消防车-消防车价格-消防车报…
油罐车-运油车-油罐车价格-…
清障车-清障车价格-清障车厂…
随车吊-随车吊厂家-随车吊价…
平板车-挖机平板运输车-挖机…
词料车-运猪车-缓冲车厂家价…
冷藏车-冷藏车价格-冷藏车厂…
高空作业车-高空作业车价格…
救护车-救护车价格-救护车生…
搅拌车-混凝土搅拌运输车-混…
5方洒水车,8方-10方洒水车,…
消防洒水车-消防洒水车价格…
洒水车系列
吸污车-吸粪车系列