
东风12方洒水车-12吨洒水车
福田5方洒水车-福田奥铃5方洒水车价格报价-福田5方洒水车产品配置
陕汽12方洒水车-陕汽12方洒水车价格报价-陕汽12方洒水车产品配置
东风天龙大型雾炮洒水车-东风大型抑尘洒水车价格报价-湖北盈通
东风17方大型雾炮洒水车-东风大型抑尘洒水车价格-湖北盈通
东风D9大型抑尘洒水车-东风12方大型雾炮洒水车价格-湖北盈通
东风天锦大型雾炮洒水车-东风12方抑尘洒水车价格报价-湖北盈通
东风天龙20方雾炮洒水车-东风20方抑尘洒水车价格-湖北盈通
重汽20方雾炮洒水车-重汽20方抑尘洒水车价格-湖北盈通
东风20方雾炮洒水车-东风华神20方抑尘洒水车价格报价-湖北盈通
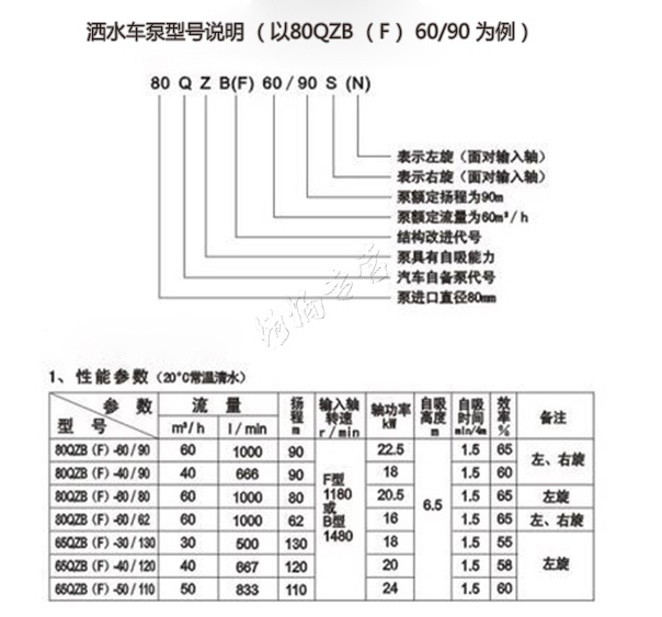
洒水车水泵出现问题该怎么维修

洒水车出现不吸水甚至是能不洒水的情况是给如何是好,一些经验较为丰富的师傅们可能就会有一些好的方法,但是对于一些新手来说,可就无从下手,我们还是一些来看看成立专用车公司来为各位介绍下几个洒水车的问题吧:


第二步检查滤网。当洒水泵不畅时检查吸水管前段滤网是否有杂物堵塞进水口,再逐段检查进水管路是否密封,检查是否有漏气故障发生。
第三步检查真空度。普通洒水车使用的水泵引水高度应小于5米,然后检查洒水车水泵油密封件是否损坏,泵轴渗漏影响其真空度,应更换密封件。当洒水车发动机转速太低,达不到所需的真空度时,要调整油门使转速在1700转/分左右,发动机转速根据变速箱的不同而变化

第四步检查取力器。检查洒水车取力器是否工作,取力器和传动轴脱离会造成水泵不能工作。
第五步辨听异响声。查看检查洒水车水泵转速是否正常,注意听有没有异常响声,判断是否因为有杂物缠绕叶片导致水泵不能正常转动。但务必注意的是:检测过程中水泵不能长时间空转,否则会因水泵温度过高而缩短其使用寿命

洒水车水泵不出水时,除按上述步骤详细检查后,故障还不能排除时,那就检查是否因长时间未清洗水罐太脏导致出水口滤网或泵体堵塞。
另外养成良好的用车习惯也非常重要。水灌要定期清洗,冬季使用完洒水车要排尽水罐和泵体内积水,防止罐体和水泵结冰、冻裂。


洒水车水泵出现问题该怎么维修
洒水车品牌-洒水车规格型号…
扫路车,洗扫车,吸尘车厂家价…
垃圾车,压缩式垃圾车厂家价…
吸污车,清洗吸污车,吸粪车厂…
洒水车水泵,洒水车水泵配件…
抑尘车,铁路抑尘车,雾炮车厂…
洒水车价格-洒水车报价-各种…
喷洒车,绿化喷洒车,洒水车,…
消防车-消防车价格-消防车报…
油罐车-运油车-油罐车价格-…
清障车-清障车价格-清障车厂…
随车吊-随车吊厂家-随车吊价…
平板车-挖机平板运输车-挖机…
词料车-运猪车-缓冲车厂家价…
冷藏车-冷藏车价格-冷藏车厂…
高空作业车-高空作业车价格…
救护车-救护车价格-救护车生…
搅拌车-混凝土搅拌运输车-混…
5方洒水车,8方-10方洒水车,…
消防洒水车-消防洒水车价格…
洒水车系列
吸污车-吸粪车系列