
东风12方洒水车-12吨洒水车
福田5方洒水车-福田奥铃5方洒水车价格报价-福田5方洒水车产品配置
陕汽12方洒水车-陕汽12方洒水车价格报价-陕汽12方洒水车产品配置
东风天龙大型雾炮洒水车-东风大型抑尘洒水车价格报价-湖北盈通
东风17方大型雾炮洒水车-东风大型抑尘洒水车价格-湖北盈通
东风D9大型抑尘洒水车-东风12方大型雾炮洒水车价格-湖北盈通
东风天锦大型雾炮洒水车-东风12方抑尘洒水车价格报价-湖北盈通
东风天龙20方雾炮洒水车-东风20方抑尘洒水车价格-湖北盈通
重汽20方雾炮洒水车-重汽20方抑尘洒水车价格-湖北盈通
东风20方雾炮洒水车-东风华神20方抑尘洒水车价格报价-湖北盈通
洒水车水泵为什么会洒水-湖北程力
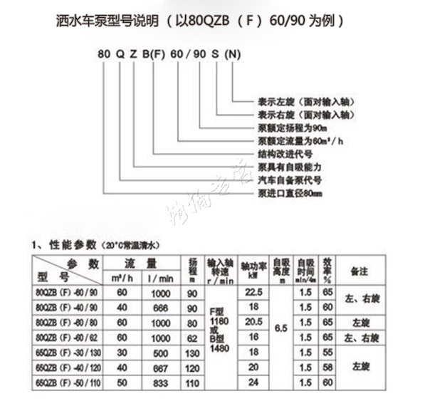
洒水车水泵为什么会洒出热水 近日,有客户向我部门打来求助电话,原因是他的洒水车水泵洒出的水是热的,因该客户需要用洒水车给树苗洒水,而热水对树苗是不利的。 我部门经理对客户反应的这个问题进行进一步核实。此客户是去年8月份购买的杭州威龙洒水泵,型号是80QZF-60/90N,此型号洒水车水泵适用于8吨以上洒水车,此客户的洒水车主要用于道路洒水和树苗喷水用。近两天却发现洒水车水泵里面的水洒出来是热的。经询问,我部门分析原因:近段时间天气炎热,该客户的洒水车取水处经过太阳照晒,水已变得温热,抽到罐体内再通过洒水车水泵喷洒出来后,水就显得比常温水热一些。 针对此问题,我部门经理给客户提出建议,建议抽水时间选择在早上。该客户按照我们的建议,洒水车现已正常工作


洒水车水泵为什么会洒水-湖北程力
洒水车品牌-洒水车规格型号…
扫路车,洗扫车,吸尘车厂家价…
垃圾车,压缩式垃圾车厂家价…
吸污车,清洗吸污车,吸粪车厂…
洒水车水泵,洒水车水泵配件…
抑尘车,铁路抑尘车,雾炮车厂…
洒水车价格-洒水车报价-各种…
喷洒车,绿化喷洒车,洒水车,…
消防车-消防车价格-消防车报…
油罐车-运油车-油罐车价格-…
清障车-清障车价格-清障车厂…
随车吊-随车吊厂家-随车吊价…
平板车-挖机平板运输车-挖机…
词料车-运猪车-缓冲车厂家价…
冷藏车-冷藏车价格-冷藏车厂…
高空作业车-高空作业车价格…
救护车-救护车价格-救护车生…
搅拌车-混凝土搅拌运输车-混…
5方洒水车,8方-10方洒水车,…
消防洒水车-消防洒水车价格…
洒水车系列
吸污车-吸粪车系列