
东风12方洒水车-12吨洒水车
福田5方洒水车-福田奥铃5方洒水车价格报价-福田5方洒水车产品配置
陕汽12方洒水车-陕汽12方洒水车价格报价-陕汽12方洒水车产品配置
东风天龙大型雾炮洒水车-东风大型抑尘洒水车价格报价-湖北盈通
东风17方大型雾炮洒水车-东风大型抑尘洒水车价格-湖北盈通
东风D9大型抑尘洒水车-东风12方大型雾炮洒水车价格-湖北盈通
东风天锦大型雾炮洒水车-东风12方抑尘洒水车价格报价-湖北盈通
东风天龙20方雾炮洒水车-东风20方抑尘洒水车价格-湖北盈通
重汽20方雾炮洒水车-重汽20方抑尘洒水车价格-湖北盈通
东风20方雾炮洒水车-东风华神20方抑尘洒水车价格报价-湖北盈通
洒水车配件厂家-洒水车水泵售后维修说明
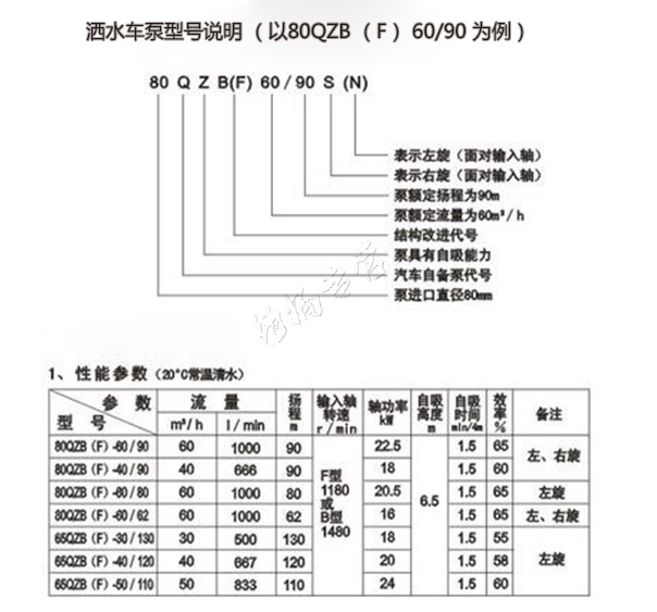
洒水车水泵售后维修说明 近日,青海的客户胡先生打来电话询问洒水车水泵问题,胡先生说:刚买的杭州威龙洒水泵,型号是80QZF-60/90S,货到后安装到洒水车上,发现漏水现象。我公司技术部分析:新买的洒水车水泵出现漏水,原因只有一个,就是新泵使用第一次泵内未加满液体,洒水车水泵出现空转现像,造成机械密封干磨擦以致于洒水车水泵损坏。 洒水车水泵是洒水车最重要的配件之一,洒水车的自吸、喷水都是靠洒水泵来完成的。操作洒水车的司机需注意了:平时除了对洒水车底盘以及其它上装部分进行保养外,对洒水泵的保养也是尤其关键的,洒水车水泵保养的好,一般能使用5-6年。








洒水车配件厂家-洒水车水泵售后维修说明
洒水车品牌-洒水车规格型号…
扫路车,洗扫车,吸尘车厂家价…
垃圾车,压缩式垃圾车厂家价…
吸污车,清洗吸污车,吸粪车厂…
洒水车水泵,洒水车水泵配件…
抑尘车,铁路抑尘车,雾炮车厂…
洒水车价格-洒水车报价-各种…
喷洒车,绿化喷洒车,洒水车,…
消防车-消防车价格-消防车报…
油罐车-运油车-油罐车价格-…
清障车-清障车价格-清障车厂…
随车吊-随车吊厂家-随车吊价…
平板车-挖机平板运输车-挖机…
词料车-运猪车-缓冲车厂家价…
冷藏车-冷藏车价格-冷藏车厂…
高空作业车-高空作业车价格…
救护车-救护车价格-救护车生…
搅拌车-混凝土搅拌运输车-混…
5方洒水车,8方-10方洒水车,…
消防洒水车-消防洒水车价格…
洒水车系列
吸污车-吸粪车系列