洒水车

,湖北盈通专用汽车有限公司生产制造销售,雾炮车,抑尘车,吸污车,吸粪车,扫路车,洗扫车,吸尘车,主营产品,其中2吨,5吨洒水车,8吨洒水车,10吨,12吨洒水车,15吨,18吨,20吨,最为畅销,送车上门,车到付款,支持分期付款 欢迎来公司参观考察 网站地图- 洒水车

洒水车厂家
  • 洒水车

    News us

  • 联系我们|Contact Us
  • 销售经理:陶经理
  • 销售热线:188-7299-2808
  • 销售经理:1887299-9066
  • 销售热线:18872999066
  • 企业地址:湖北随州市经济开发区旭光路

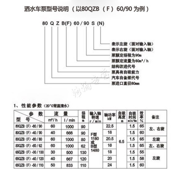
65QZ-40/45N洒水泵动力从哪来-洒水车配件销售

超级管理员 上传时间:2019-8-27 13:26:11 来源: 新闻热度:

65QZ-40/45N洒水泵动力从哪来-洒水车配件销售

65QZ-40/45N洒水泵动力从哪来-洒水车配件销售

65QZ-40/45N洒水泵动力从哪来 洒水车洒水泵的动力来源:洒水车洒水泵进行工作时,其动力是由洒水车发动机通过取力器提供动力,再通过传动轴来带动洒水泵运转,以使洒水泵进行自吸,然后再通过洒水泵压力出水,经过洒水炮、前冲、洒水砣、喷头等喷洒出水,进行浇花、冲洗道路。65QZ-40/45N洒水泵型号:65QZ-40/45、65QZF-40/45N、CLW65QZF-40/45N适用于8T以下车型流量:40m3/h或660L/min扬程:45m 输入轴转速:1450n/min轴功率:9.25KW 自吸高度:6.5m自吸时间:1.0min/5m 输入轴旋转方向:左旋转

65QZ-40/45N洒水泵动力从哪来-洒水车配件销售

销售经理:陶经理188-7299-2808 售后电话:188-7299-9066 电子邮箱:2362469878@qq.com
企业全称:湖北盈通专用汽车有限公司,公司备案:鄂ICP备14014772号-14 地址:湖北随州市经济开发区旭光路
网站地图