
东风12方洒水车-12吨洒水车
福田5方洒水车-福田奥铃5方洒水车价格报价-福田5方洒水车产品配置
陕汽12方洒水车-陕汽12方洒水车价格报价-陕汽12方洒水车产品配置
东风天龙大型雾炮洒水车-东风大型抑尘洒水车价格报价-湖北盈通
东风17方大型雾炮洒水车-东风大型抑尘洒水车价格-湖北盈通
东风D9大型抑尘洒水车-东风12方大型雾炮洒水车价格-湖北盈通
东风天锦大型雾炮洒水车-东风12方抑尘洒水车价格报价-湖北盈通
东风天龙20方雾炮洒水车-东风20方抑尘洒水车价格-湖北盈通
重汽20方雾炮洒水车-重汽20方抑尘洒水车价格-湖北盈通
东风20方雾炮洒水车-东风华神20方抑尘洒水车价格报价-湖北盈通
6-10吨洒水车选用洒水泵-洒水车水泵配件-湖北程力
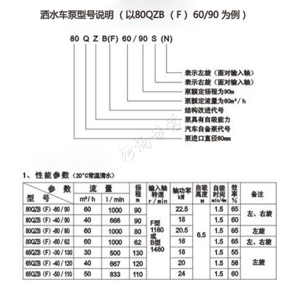
6-10吨洒水车选用洒水泵 夏日炎炎,又到了一年中最热的季节了,空气也变得干燥、焖热。路边的花草树木极需水份,水泥路面和沥青路面需要大量的水来喷洒。这个季节是洒水车最忙的季节,每天都要对道路进行洒水,对花草树木进行浇灌。由于每天不停的工作,洒水车零部件极易损坏,购买时也出现各种难题。比如:6-10吨洒水车选用什么型号的洒水泵?这个问题被不少用户问过? 首先,6吨以上的洒水车配用的是大功率洒水泵,其流量是60,扬程:90,功率:22.2KW。型号为:80QZF-60/90N自吸式洒水车泵





6-10吨洒水车选用洒水泵-洒水车水泵配件-湖北程力
洒水车品牌-洒水车规格型号…
扫路车,洗扫车,吸尘车厂家价…
垃圾车,压缩式垃圾车厂家价…
吸污车,清洗吸污车,吸粪车厂…
洒水车水泵,洒水车水泵配件…
抑尘车,铁路抑尘车,雾炮车厂…
洒水车价格-洒水车报价-各种…
喷洒车,绿化喷洒车,洒水车,…
消防车-消防车价格-消防车报…
油罐车-运油车-油罐车价格-…
清障车-清障车价格-清障车厂…
随车吊-随车吊厂家-随车吊价…
平板车-挖机平板运输车-挖机…
词料车-运猪车-缓冲车厂家价…
冷藏车-冷藏车价格-冷藏车厂…
高空作业车-高空作业车价格…
救护车-救护车价格-救护车生…
搅拌车-混凝土搅拌运输车-混…
5方洒水车,8方-10方洒水车,…
消防洒水车-消防洒水车价格…
洒水车系列
吸污车-吸粪车系列