洒水车

,湖北盈通专用汽车有限公司生产制造销售,雾炮车,抑尘车,吸污车,吸粪车,扫路车,洗扫车,吸尘车,主营产品,其中2吨,5吨洒水车,8吨洒水车,10吨,12吨洒水车,15吨,18吨,20吨,最为畅销,送车上门,车到付款,支持分期付款 欢迎来公司参观考察 网站地图- 洒水车

洒水车厂家
  • 洒水车

    News us

  • 联系我们|Contact Us
  • 销售经理:陶经理
  • 销售热线:188-7299-2808
  • 销售经理:1887299-9066
  • 销售热线:18872999066
  • 企业地址:湖北随州市经济开发区旭光路

杭州威龙不锈钢洒水泵-洒水车水泵价格报价-湖北程力

超级管理员 上传时间:2019-8-27 13:40:57 来源: 新闻热度:

杭州威龙不锈钢洒水泵-洒水车水泵价格报价-湖北程力

杭州威龙不锈钢洒水泵-洒水车水泵价格报价-湖北程力

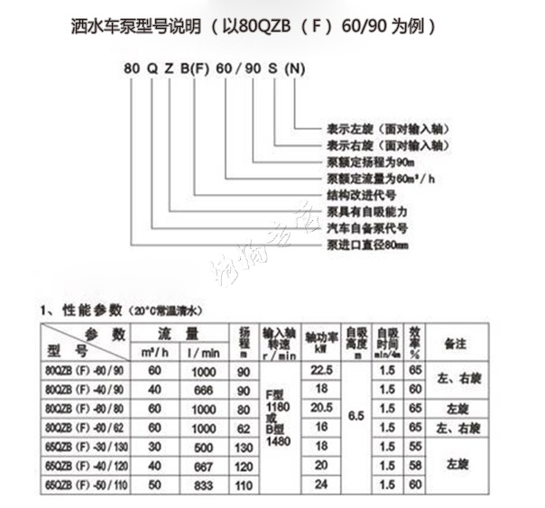
杭州威龙不锈钢洒水泵 不锈钢洒水泵型号:80QZ-40/32S(N),80QZ-40/42S(N),50QZ-8/25S(N),50QZ-12/32S(N)此类不锈钢洒水泵是在多年研制自吸式离心泵经验的基础上最新研制的新产品。不锈钢洒水泵性能符合部颁标准QC/T29114-93《洒水车技术条件》中对泵规定的要求。以上型号不锈钢泵特别适用于3吨以下改装车使用。本产品具有结构简单,运行平稳,效率高,使用可靠等优点。不锈钢泵型号说明:以80QZ-40/32S(N)为例:80代表泵进口直径80mm,Q代表汽车自备泵代号Z代表泵具有自吸能力40代表泵额定流量为40(m/h)32代表泵额定扬程为32mS代表右旋(面对输入轴)N代表左旋(面对输入轴)型号:80QZ-40/32S(N)流量(m3/h)/(l/min):40/667扬程(m):32输入轴转速(r/min):1450轴功率(kw):6.2自吸高度(m):6.5自吸时间(min/4m):1.5输入轴旋转方向:左转或右转


杭州威龙不锈钢洒水泵-洒水车水泵价格报价-湖北程力

销售经理:陶经理188-7299-2808 售后电话:188-7299-9066 电子邮箱:2362469878@qq.com
企业全称:湖北盈通专用汽车有限公司,公司备案:鄂ICP备14014772号-14 地址:湖北随州市经济开发区旭光路
网站地图