
东风12方洒水车-12吨洒水车
福田5方洒水车-福田奥铃5方洒水车价格报价-福田5方洒水车产品配置
陕汽12方洒水车-陕汽12方洒水车价格报价-陕汽12方洒水车产品配置
东风天龙大型雾炮洒水车-东风大型抑尘洒水车价格报价-湖北盈通
东风17方大型雾炮洒水车-东风大型抑尘洒水车价格-湖北盈通
东风D9大型抑尘洒水车-东风12方大型雾炮洒水车价格-湖北盈通
东风天锦大型雾炮洒水车-东风12方抑尘洒水车价格报价-湖北盈通
东风天龙20方雾炮洒水车-东风20方抑尘洒水车价格-湖北盈通
重汽20方雾炮洒水车-重汽20方抑尘洒水车价格-湖北盈通
东风20方雾炮洒水车-东风华神20方抑尘洒水车价格报价-湖北盈通
自吸式洒水车泵适用范围-湖北洒水车配件厂家
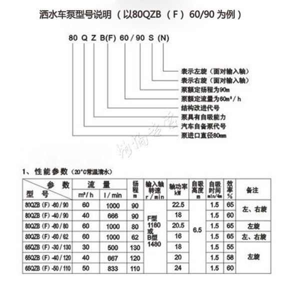
自吸式洒水车泵适用范围 自吸式洒水车泵适用范围:自吸式洒水车泵有好几种规格型号,适用于不同型号、不同车型的洒水车:东风金霸洒水车、东风多利卡洒水车东风康霸洒水车、东风金钢洒水车、东风劲卡洒水车福田单桥洒水车、福田2-3方洒水车、福田欧马可洒水车福田5方洒水车、福田奥铃洒水车、江铃洒水车小解放洒水车、东风车型、东风小霸王、东风福瑞卡、东风金霸、东风劲卡、东风之星、福田时代、祥瑞、赛瑞、福瑞以上车型适用于65QZ-40/45N自吸式洒水车泵。东风140尖头洒水车、东风平头洒水车、东风145洒水车东风尖头洒水车、解放洒水车、东风153洒水车东风天锦洒水车解放单桥洒水车、东风140长头车尖头车、东风平头车、齐头车、140车型、玉柴车型康明斯车型、解放车型、福田车型、江淮车型、江铃、跃进、农用车等车型。以上车型适用于80QZF-60/90N自吸式洒水车泵。


自吸式洒水车泵适用范围-湖北洒水车配件厂家
洒水车品牌-洒水车规格型号…
扫路车,洗扫车,吸尘车厂家价…
垃圾车,压缩式垃圾车厂家价…
吸污车,清洗吸污车,吸粪车厂…
洒水车水泵,洒水车水泵配件…
抑尘车,铁路抑尘车,雾炮车厂…
洒水车价格-洒水车报价-各种…
喷洒车,绿化喷洒车,洒水车,…
消防车-消防车价格-消防车报…
油罐车-运油车-油罐车价格-…
清障车-清障车价格-清障车厂…
随车吊-随车吊厂家-随车吊价…
平板车-挖机平板运输车-挖机…
词料车-运猪车-缓冲车厂家价…
冷藏车-冷藏车价格-冷藏车厂…
高空作业车-高空作业车价格…
救护车-救护车价格-救护车生…
搅拌车-混凝土搅拌运输车-混…
5方洒水车,8方-10方洒水车,…
消防洒水车-消防洒水车价格…
洒水车系列
吸污车-吸粪车系列