
东风12方洒水车-12吨洒水车
福田5方洒水车-福田奥铃5方洒水车价格报价-福田5方洒水车产品配置
陕汽12方洒水车-陕汽12方洒水车价格报价-陕汽12方洒水车产品配置
东风天龙大型雾炮洒水车-东风大型抑尘洒水车价格报价-湖北盈通
东风17方大型雾炮洒水车-东风大型抑尘洒水车价格-湖北盈通
东风D9大型抑尘洒水车-东风12方大型雾炮洒水车价格-湖北盈通
东风天锦大型雾炮洒水车-东风12方抑尘洒水车价格报价-湖北盈通
东风天龙20方雾炮洒水车-东风20方抑尘洒水车价格-湖北盈通
重汽20方雾炮洒水车-重汽20方抑尘洒水车价格-湖北盈通
东风20方雾炮洒水车-东风华神20方抑尘洒水车价格报价-湖北盈通
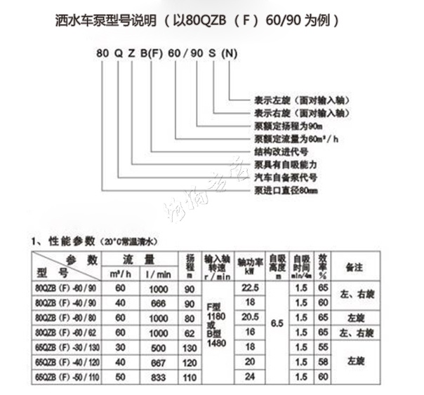
洒水车水泵-杭州威龙洒水泵售后服务书
杭州威龙洒水泵售后服务书 用户购买杭州威龙洒水泵后,除了要了解杭州威龙洒水泵的使用说明、注意事项、故障维修、洒水泵保养等,还要了解杭州威龙洒水泵售后服务。用户根据自己的洒水车车型,选择合适的杭州威龙洒水泵,在用户选型合理并遵守维护保养要求情况下,自发货之日起12个月内,不超过12个月,因产品制造不良而发生损坏或不能正常工作的,供方负责免费修理或更换零件,如因用户操作使用不当而发生的损坏,供方根据用户要求进行产品修复,只收取成本费用,但易损件除外。杭州威龙洒水泵公司售后服务标准:“三全”服务:为用户提供“全过程、全天候、全身心”的服务。“三零”目标:实现“管理零缺陷、服务零差错、市场零距离”的工作目标。“三易”效果:达到服务用户“易购、易行、易得”的效果杭州威龙洒水泵服务宗旨是:以质量求生存、以信誉求发展、高质低价、讲究效率!










洒水车水泵-杭州威龙洒水泵售后服务书
洒水车品牌-洒水车规格型号…
扫路车,洗扫车,吸尘车厂家价…
垃圾车,压缩式垃圾车厂家价…
吸污车,清洗吸污车,吸粪车厂…
洒水车水泵,洒水车水泵配件…
抑尘车,铁路抑尘车,雾炮车厂…
洒水车价格-洒水车报价-各种…
喷洒车,绿化喷洒车,洒水车,…
消防车-消防车价格-消防车报…
油罐车-运油车-油罐车价格-…
清障车-清障车价格-清障车厂…
随车吊-随车吊厂家-随车吊价…
平板车-挖机平板运输车-挖机…
词料车-运猪车-缓冲车厂家价…
冷藏车-冷藏车价格-冷藏车厂…
高空作业车-高空作业车价格…
救护车-救护车价格-救护车生…
搅拌车-混凝土搅拌运输车-混…
5方洒水车,8方-10方洒水车,…
消防洒水车-消防洒水车价格…
洒水车系列
吸污车-吸粪车系列